Cross Roller with External Gear (CRE)
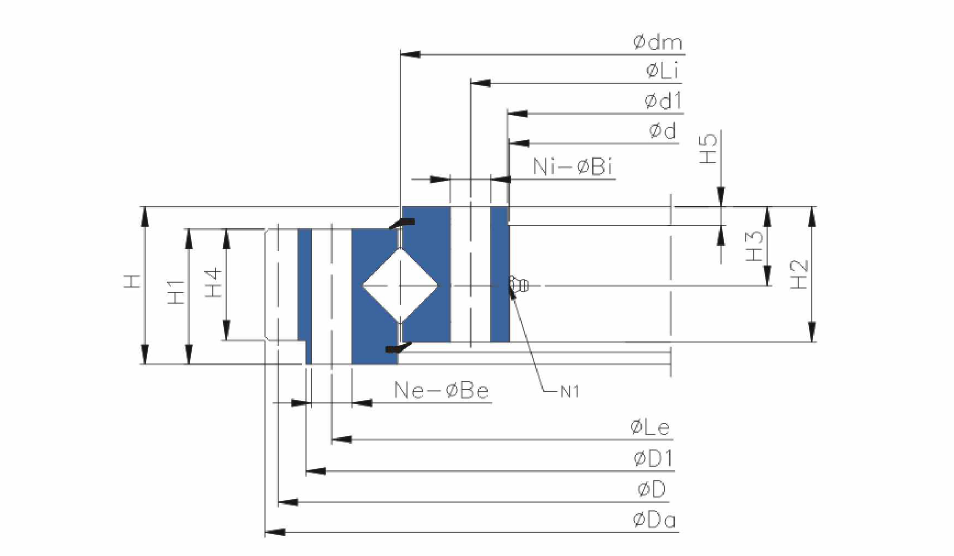
Slewing bearings support heavy axial and radial loads, along with upsetting moments. They have inner and outer rings with mounting holes, lubrication channels, and gears. Induction-hardened raceways offer wear resistance, durability, and high load capacity. Precision-ground and heat-treated gear teeth ensure smoothness and accuracy. SunUs makes standard and custom slewing bearings, up to 2500mm in diameter, for versatile applications.
| Precision Level | |
|---|---|
| Torsional Rigidity | |
| Price Range |
- Industry Applications
- CNC Machine Tools
- Factory Automation
- Special Purpose Machines (SPMs)
- Wind Power
- Engineering Machinery



