UM 大トルク

出力端に4つのプラネタリギア伝動を採用し、大型のベアリング設計により、より大きなトルク剛性と曲げモーメントに対応でき、重負荷、高精度、耐久性を必要とする機械に適しています。
精度
精度
剛性
剛性
価格
価格
業界ごとの応用
CNC工具機
產業機械
風力發電
工程機械
超大トルク
  • 大型高品質の円錐軸受は、より大きな軸方向および径方向の負荷を支えることができ、拡大された盤面設計により、出力軸は超大出力トルクを支えることができ、剛性も非常に優れています。このため、大トルク重機に適しています。
こうきどうせい
  • 行星歯車機構のバランス特性と高精度、低慣性モーメントにより、サーボモータと組み合わせることで、高い起動特性を実現します。
うていろくせいど
  • 精密な歯車研磨により、歯面が滑らかになり、歯形の精度が向上します。
  • 歯車箱と内歯輪は一体構造になっており、特殊合金鋼材を使用しているため、安定性が高いです。
ていしょうおん
  • 歯車を精密に研磨することで、歯面の粗さが少なく、歯形の誤差が小さくなります。これにより、歯車の運転がスムーズになり、ノイズが小さくなります。
  • ドイツ製の厳選された人工合成潤滑油を使用することで、流動性が良く、歯車に十分な油膜が形成されます。これにより、歯車の運転がスムーズになり、ノイズが小さくなります。
簡単に設置可能
  • 減速機の連結板と入力軸穴の寸法は、弾性設計を採用しており、各メーカーのサーボモータと組み合わせることができます。
出力端の接続が簡単です
  • 出力軸は、標準型、中空型、栓槽孔型の3種類から選べます。また、お客様のご指定の結合方式にも対応可能です。
低バックラッシュ
  • 精密加工と厳格な品質管理
  • 標準バックラッシュは、単段で2~3アークス分、2段で3~4アークス分、3段で4~7アークス分です。
  • 精密バックラッシュは、単段で1~2分角、2段で2~3分角、3段で2~4分角です
  • また、より低いバックラッシュの注文にも対応可能です。
長寿命、メンテナンスフリー
  • 高級ニッケルクロムモリブデン合金鋼材を採用し、深層炭化焼入れ処理を施した後、精密歯面研磨を施すことで、歯車剛性を高め、歯面を滑らかにして耐摩耗性を向上させ、使用寿命を延ばすことができます。
  • 高品質なドイツ製合成潤滑油を採用し、流動性が優れ、極圧耐圧剤が豊富に含まれています。ギアボックス内の各部品が十分に潤滑され、保護され、オイル交換が不要です。
  • 特製の高品質で耐熱性、耐摩耗性に優れ、変質しにくいオイルシールを採用しており、優れたシール性能を実現しています。
 すぐにプラネタリ減速機の計画を立てる

UM 技術的な案内 (1段) 比率 4/5.5

仕様 減速比UM210UM240UM270UM300UM330UM360UM390
最大加速トルク (1) T2B Nm 441906410916511220153302034225285
5.53630555079409720132801761221800
緊急停止トルク(2) T2Not Nm 49100138701980024230330754383053640
5.57800119351701020860284703771046000
定格出力トルク T2N Nm 4272541705970731099951327016800
5.5232533604680633586601149014300
定格入力回転数 n1N rpm 41500150015001500150015001000
5.51500150015001500150015001000
最大入力回転数 n1Max rpm 42000200020002000200020001500
5.52000200020002000200020001500
軸方向負荷力(3) Famax N 4252803775048300687007335080050113500
5.5252803775048300687007335080050113500
標準バックラッシュ arcmin 4≤3≤2≤2≤2≤2≤2≤2
5.5≤3≤2≤2≤2≤2≤2≤2
精密なバックラッシュ arcmin 4≤2≤1≤1≤1≤1≤1≤1
5.5≤2≤1≤1≤1≤1≤1≤1
満載時の使用効率 % 4≥94≥94≥94≥94≥94≥94≥94
5.5≥94≥94≥94≥94≥94≥94≥94
使用寿命 LH2 h 420000200002000020000200002000020000
5.520000200002000020000200002000020000
重量 kg 485100110130165195300
5.585100 110130165195300
騒音値(4) dB 4≤70≤70≤70≤70≤70≤70≤70
5.5≤70≤70≤70≤70≤70≤70≤70
使用温度範囲 °C 4-10~+90-10~+90-10~+90-10~+90-10~+90-10~+90-10~+90
5.5-10~+90-10~+90-10~+90-10~+90-10~+90-10~+90-10~+90
防護等級 4IP64IP64IP64IP64IP64IP64IP64
5.5IP64IP64IP64IP64IP64IP64IP64
潤滑油 4ISO VG220ISO VG220ISO VG220ISO VG220ISO VG220ISO VG220ISO VG220
5.5ISO VG220ISO VG220ISO VG220ISO VG220ISO VG220ISO VG220ISO VG220
回転慣性 kg‧cm2 4210.28337.90394.94----
5.5204.50327.23376.85----

注(1) データは1時間あたり1000回以下の頻度で測定されます。データが上記の表を超える場合は、お問い合わせください。
注(2) 動作回数は製品寿命内で1000回までとなります。
注(3) 100rpmで出力軸中心に作用します。
連続運転すると減速機の寿命が半減します。
お客様のご要望の減速比が表にない場合は、弊社までお問い合わせください。

UM 技術的な案内 (2段) 比率 12~220

仕様 減速比UM210UM240UM270UM300UM330UM360UM390
最大加速トルク (1) T2B Nm 12437569201040012745157552438029500
16437569201125013120169802494030500
22437569201125013120169802494030500
36439582251022014210169902764532000
48439582251022014210169902764532000
66554086501233014350189452764032500
88554086501233014350189452764032500
110554086501233014350189452764032500
154510581181218514300186902640033000
220510581181218514300186902640033000
緊急停止トルク(2) T2Not Nm 129600151802197026955331605085061000
169600151802332028640370005173062400
229600151802332028640370005173062400
3610460168702318029155380605572064400
4810460168702318029155380605572064400
6611150174802493529155422105572065400
8811150174802493529155422105572065400
11011150174802493529155422105572065400
15410230176001949029155423355580065800
22010230176001949029155423355580065800
定格出力トルク T2N Nm 123095498571658400105951590019300
163095498575908800108001684019950
223095498575908800108001684019950
363115547571159470108101790020910
483115547571159470108101790020910
663330554080759500108201793521250
883330554080759500108201793521250
1103330554080759500108201793521250
1542905462081159500106801746021500
2202905462081159500106801746021500
定格入力回転数 n1N rpm 121500150015001500150015001500
161500150015001500150015001500
221500150015001500150015001500
361500150015001500150015001500
481500150015001500150015001500
661500150015001500150015001500
881500150015001500150015001500
1101500150015001500150015001500
1541500150015001500150015001500
2201500150015001500150015001500
最大入力回転数 n1Max rpm 123000300030003000250020001500
163000300030003000250020001500
223000300030003000250020001500
363000300030003000250020001500
483000300030003000250020001500
663000300030003000250020001500
883000300030003000250020001500
1103000300030003000250020001500
1543000300030003000250020001500
2203000300030003000250020001500
軸方向負荷力(3) Famax N 12252803775048300687007335080050113500
16252803775048300687007335080050113500
22252803775048300687007335080050113500
36252803775048300687007335080050113500
48252803775048300687007335080050113500
66252803775048300687007335080050113500
88252803775048300687007335080050113500
110252803775048300687007335080050113500
154252803775048300687007335080050113500
220252803775048300687007335080050113500
標準バックラッシュ arcmin 12≤4≤4≤3≤3≤3≤3≤3
16≤4≤4≤3≤3≤3≤3≤3
22≤4≤4≤3≤3≤3≤3≤3
36≤7≤6≤6≤5≤5≤4≤4
48≤7≤6≤6≤5≤5≤4≤4
66≤7≤6≤6≤5≤5≤4≤4
88≤7≤6≤6≤5≤5≤4≤4
110≤7≤6≤6≤5≤5≤4≤4
154≤7≤6≤6≤5≤5≤4≤4
220≤7≤6≤6≤5≤5≤4≤4
精密なバックラッシュ arcmin 12≤3≤2≤2≤2≤2≤2≤2
16≤3≤2≤2≤2≤2≤2≤2
22≤3≤2≤2≤2≤2≤2≤2
36≤4≤3≤3≤3≤3≤3≤3
48≤4≤3≤3≤3≤3≤3≤3
66≤4≤3≤3≤3≤3≤3≤3
88≤4≤3≤3≤3≤3≤3≤3
110≤4≤3≤3≤3≤3≤3≤3
154≤4≤3≤3≤3≤3≤3≤3
220≤4≤3≤3≤3≤3≤3≤3
満載時の使用効率 % 12≥90≥90≥90≥90≥90≥90≥90
16≥90≥90≥90≥90≥90≥90≥90
22≥90≥90≥90≥90≥90≥90≥90
36≥90≥90≥90≥90≥90≥90≥90
48≥90≥90≥90≥90≥90≥90≥90
66≥90≥90≥90≥90≥90≥90≥90
88≥90≥90≥90≥90≥90≥90≥90
110≥90≥90≥90≥90≥90≥90≥90
154≥90≥90≥90≥90≥90≥90≥90
220≥90≥90≥90≥90≥90≥90≥90
使用寿命 LH2 h 1220000200002000020000200002000020000
1620000200002000020000200002000020000
2220000200002000020000200002000020000
3620000200002000020000200002000020000
4820000200002000020000200002000020000
6620000200002000020000200002000020000
8820000200002000020000200002000020000
11020000200002000020000200002000020000
15420000200002000020000200002000020000
22020000200002000020000200002000020000
重量 kg 1290125138162200235290
1690125138162200235290
2290125138162200235290
3695135150175220250380
4895135150175220250380
6695135150175220250380
8895135150175220250380
11095135150175220250380
15495135150175220250380
22095135150175220250380
騒音値(4) dB 12≤70≤70≤70≤70≤70≤70≤70
22≤70≤70≤70≤70≤70≤70≤70
36≤70≤70≤70≤70≤70≤70≤70
48≤70≤70≤70≤70≤70≤70≤70
66≤70≤70≤70≤70≤70≤70≤70
88≤70≤70≤70≤70≤70≤70≤70
110≤70≤70≤70≤70≤70≤70≤70
154≤70≤70≤70≤70≤70≤70≤70
220≤70≤70≤70≤70≤70≤70≤70
使用温度範囲 °C 12-10~+90-10~+90-10~+90-10~+90-10~+90-10~+90-10~+90
16-10~+90-10~+90-10~+90-10~+90-10~+90-10~+90-10~+90
22-10~+90-10~+90-10~+90-10~+90-10~+90-10~+90-10~+90
36-10~+90-10~+90-10~+90-10~+90-10~+90-10~+90-10~+90
48-10~+90-10~+90-10~+90-10~+90-10~+90-10~+90-10~+90
66-10~+90-10~+90-10~+90-10~+90-10~+90-10~+90-10~+90
88-10~+90-10~+90-10~+90-10~+90-10~+90-10~+90-10~+90
110-10~+90-10~+90-10~+90-10~+90-10~+90-10~+90-10~+90
154-10~+90-10~+90-10~+90-10~+90-10~+90-10~+90-10~+90
220-10~+90-10~+90-10~+90-10~+90-10~+90-10~+90-10~+90
防護等級 12IP64IP64IP64IP64IP64IP64IP64
16IP64IP64IP64IP64IP64IP64IP64
22IP64IP64IP64IP64IP64IP64IP64
36IP64IP64IP64IP64IP64IP64IP64
48IP64IP64IP64IP64IP64IP64IP64
66IP64IP64IP64IP64IP64IP64IP64
88IP64IP64IP64IP64IP64IP64IP64
110IP64IP64IP64IP64IP64IP64IP64
154IP64IP64IP64IP64IP64IP64IP64
220IP64IP64IP64IP64IP64IP64IP64
潤滑油 12ISO VG220ISO VG220ISO VG220ISO VG220ISO VG220ISO VG220ISO VG220
16ISO VG220ISO VG220ISO VG220ISO VG220ISO VG220ISO VG220ISO VG220
22ISO VG220ISO VG220ISO VG220ISO VG220ISO VG220ISO VG220ISO VG220
36ISO VG220ISO VG220ISO VG220ISO VG220ISO VG220ISO VG220ISO VG220
48ISO VG220ISO VG220ISO VG220ISO VG220ISO VG220ISO VG220ISO VG220
66ISO VG220ISO VG220ISO VG220ISO VG220ISO VG220ISO VG220ISO VG220
88ISO VG220ISO VG220ISO VG220ISO VG220ISO VG220ISO VG220ISO VG220
110ISO VG220ISO VG220ISO VG220ISO VG220ISO VG220ISO VG220ISO VG220
154ISO VG220ISO VG220ISO VG220ISO VG220ISO VG220ISO VG220ISO VG220
220ISO VG220ISO VG220ISO VG220ISO VG220ISO VG220ISO VG220ISO VG220
回転慣性 kg‧cm2 1261.6194.96149.5-455.38--
1654.4983.93128.26-396.10--
2253.7782.33121.96-381.10--
3620.2447.4257.97-90.10--
4818.2943.1453.55-82.07--
6620.2447.4257.97-90.10--
8818.2943.1453.55-82.07--
11018.0442.5452.9578.6880.58--
15417.4142.0552.51-102.95--
22017.3842.0052.46-102.25--

注(1) データは1時間あたり1000回以下の頻度で測定されます。データが上記の表を超える場合は、お問い合わせください。
注(2) 動作回数は製品寿命内で1000回までとなります。
注(3) 100rpmで出力軸中心に作用します。
連続運転すると減速機の寿命が半減します。
お客様のご要望の減速比が表にない場合は、弊社までお問い合わせください。

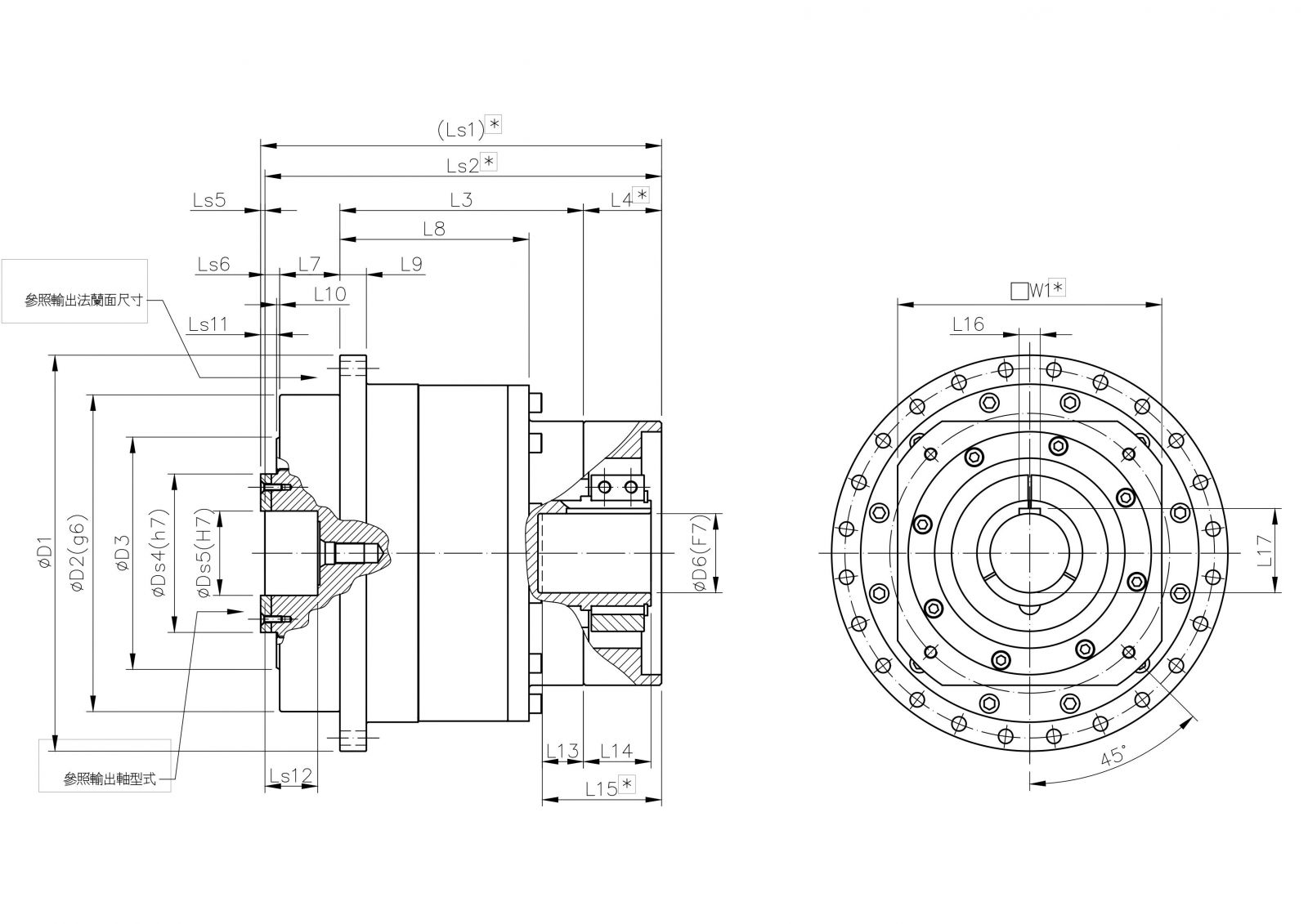
UM外観寸法 (単段 4 /5.5 比)[mm]
UM外観寸法 (二、三段 4 /5.5 比)[mm]

 
CNC工作機
  • C数値制御(CNC)重量型龍門フライス盤
  • 数値制御(CNC)深穴加工機
  • 数値制御(CNC)重量型旋盤/立型旋盤
  • 数値制御(CNC)可動柱式龍門フライス盤
  • じゅうがたシーエヌシーまげかんき
産業機械
  • プラスチック押出機
  • 精密重量型機械
  • 製紙機械
  • 全電式射出成形機
建設機械
  • 重機械
  • 盾構機
風力発電
  • 風力発電機

インストールの方向
注文情報 設置方向

ラックドライブ

直接駆動

関連製品

PG 普遍的な

PG 普遍的な

フレーム番号 60-240
減速比 単:3-10

二:12-100
トルク値 47-4100
クリアランス 単:1-5

二:3-7
HG中空シャフト

HG中空シャフト

フレーム番号 100-240
減速比 単: 3-10

二: 12-100
トルク値 270-4100
クリアランス 単: 1-5

二: 3-7
 HP 中空殼体強化型

HP 中空殼体強化型

フレーム番号 100-240
減速比 単: 3-10

二: 12-100
トルク値 270-4100
クリアランス 単: 1-5

二: 3-7
DGパネル形状

DGパネル形状

フレーム番号 164-785
減速比 単: 4-10

二: 16-100
トルク値 58-6100
クリアランス 単: 1-3

二: 2-4