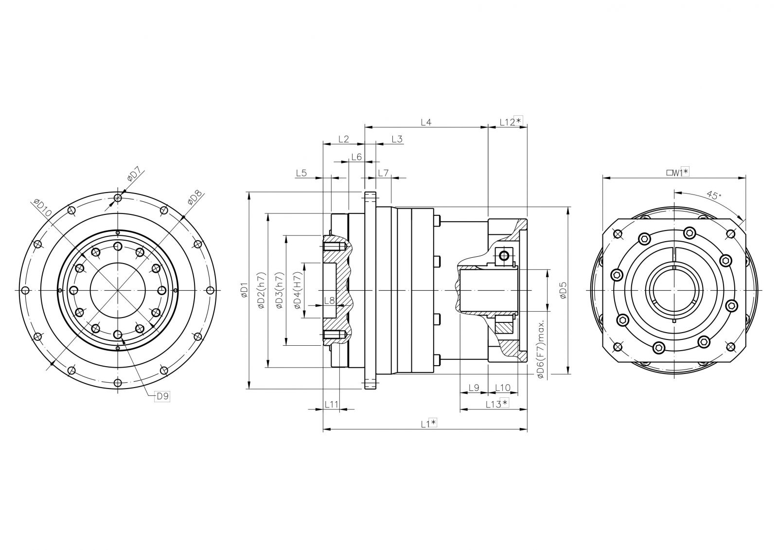
DGパネル形状
出力軸はフランジ設計を採用しています。キャリヤとフランジは一体構造となっており、付属品内の同心性とボン強度を確保しています。コンパクト設計は限られたスペースに最適です。
精度 |
|
---|---|
剛性 |
|
価格 |
|
- 業界ごとの応用
- CNC工具機
- 產業機械
高精度な位置決め
- 精密歯車研磨、歯面滑らか、歯形精密。
- 歯車の歯と歯の間隙到達できる<1 arcmin
省スペース設計
- 一般的な出力軸型減速機に比べて長さが短く、限られたスペースでの設計に適しています。
簡単な取り付け
- 減速機の連結板と入力軸穴の寸法は、弾性設計されており、各メーカーのサーボモーターに結合することができます。
保守フリー
- 高級なニッケルクロムモリブデン鋼材を採用し、深層浸炭焼入れ処理を施した後、精密歯面研磨を施すことで、歯車の剛性を高め、歯面を滑らかにして耐摩耗性を向上させ、使用寿命を延ばします。
- ドイツ製の高品質な人工合成潤滑油を採用し、流動性が優れ、極圧耐圧剤が豊富に含まれています。歯車ボックス内の各部品が十分に潤滑され、保護され、潤滑油の交換を免れます。
- 特製の高品質で耐熱性、耐摩耗性に優れ変質しにくいオイルシールを採用し、優れた密封性を実現しています。。

DG 技術的な案内 (1段) 比率 4/5/7/10
仕様 | 減速比 | DG164 | DG290 | DG310 | DG440 | DG500 | DG655 | DG785 | |
---|---|---|---|---|---|---|---|---|---|
最大加速トルク (1) T2B | Nm | 4 | 58 | 145 | 360 | 710 | 1700 | 3600 | 6100 |
5 | 58 | 145 | 360 | 710 | 1700 | 3600 | 6100 | ||
7 | 55 | 125 | 335 | 650 | 1650 | 3350 | 5050 | ||
10 | 36 | 100 | 260 | 500 | 1300 | 2000 | 3500 | ||
緊急停止トルク(2) T2Not | Nm | 4 | 115 | 310 | 700 | 1260 | 3250 | 8800 | 15000 |
5 | 115 | 310 | 700 | 1260 | 3250 | 8800 | 15000 | ||
7 | 105 | 270 | 625 | 1150 | 2800 | 8300 | 13650 | ||
10 | 100 | 220 | 500 | 900 | 2300 | 5000 | 10500 | ||
定格出力トルク T2N | Nm | 4 | 30 | 80 | 190 | 375 | 800 | 2250 | 3300 |
5 | 30 | 80 | 190 | 375 | 800 | 2250 | 3300 | ||
7 | 28 | 75 | 175 | 340 | 750 | 1830 | 2820 | ||
10 | 18 | 60 | 125 | 265 | 700 | 1050 | 1750 | ||
定格入力回転数 n1N | rpm | 4 | 3300 | 3000 | 2300 | 2000 | 1500 | 1200 | 1000 |
5 | 3300 | 3000 | 2300 | 2000 | 1500 | 1200 | 1000 | ||
7 | 4000 | 3200 | 2600 | 2500 | 2200 | 1700 | 1500 | ||
10 | 4000 | 3200 | 2600 | 2500 | 2200 | 1700 | 1500 | ||
最大入力回転数 n1Max | rpm | 4 | 6000 | 6000 | 4500 | 4000 | 3500 | 2500 | 2200 |
5 | 6000 | 6000 | 4500 | 4000 | 3500 | 2500 | 2200 | ||
7 | 6000 | 6000 | 4500 | 4000 | 3500 | 2500 | 2200 | ||
10 | 6000 | 6000 | 4500 | 4000 | 3500 | 2500 | 2200 | ||
軸方向負荷力(3) Famax | N | 4 | 1650 | 2200 | 4200 | 6150 | 10000 | 33000 | 50000 |
5 | 1650 | 2200 | 4200 | 6150 | 10000 | 33000 | 50000 | ||
7 | 1650 | 2200 | 4200 | 6150 | 10000 | 33000 | 50000 | ||
10 | 1650 | 2200 | 4200 | 6150 | 10000 | 33000 | 50000 | ||
精密なバックラッシュ | arcmin | 4 | ≤2 | ≤1 | ≤1 | ≤1 | ≤1 | ≤2 | ≤2 |
5 | ≤2 | ≤1 | ≤1 | ≤1 | ≤1 | ≤2 | ≤2 | ||
7 | ≤2 | ≤1 | ≤1 | ≤1 | ≤1 | ≤2 | ≤2 | ||
10 | ≤2 | ≤1 | ≤1 | ≤1 | ≤1 | ≤2 | ≤2 | ||
標準バックラッシュ | arcmin | 4 | ≤4 | ≤3 | ≤3 | ≤3 | ≤3 | ≤3 | ≤3 |
5 | ≤4 | ≤3 | ≤3 | ≤3 | ≤3 | ≤3 | ≤3 | ||
7 | ≤4 | ≤3 | ≤3 | ≤3 | ≤3 | ≤3 | ≤3 | ||
10 | ≤4 | ≤3 | ≤3 | ≤3 | ≤3 | ≤3 | ≤3 | ||
ねじれ剛性 | Nm/arcmin | 4 | 12 | 32 | 83 | 155 | 580 | 950 | 1380 |
5 | 12 | 32 | 83 | 155 | 580 | 950 | 1380 | ||
7 | 12 | 32 | 83 | 155 | 580 | 950 | 1380 | ||
10 | 12 | 32 | 83 | 155 | 580 | 950 | 1380 | ||
満載時の使用効率 | % | 4 | ≥97 | ≥97 | ≥97 | ≥97 | ≥97 | ≥97 | ≥97 |
5 | ≥97 | ≥97 | ≥97 | ≥97 | ≥97 | ≥97 | ≥97 | ||
7 | ≥97 | ≥97 | ≥97 | ≥97 | ≥97 | ≥97 | ≥97 | ||
10 | ≥97 | ≥97 | ≥97 | ≥97 | ≥97 | ≥97 | ≥97 | ||
使用寿命 LH2 | h | 4 | 20000 | 20000 | 20000 | 20000 | 20000 | 20000 | 20000 |
5 | 20000 | 20000 | 20000 | 20000 | 20000 | 20000 | 20000 | ||
7 | 20000 | 20000 | 20000 | 20000 | 20000 | 20000 | 20000 | ||
10 | 20000 | 20000 | 20000 | 20000 | 20000 | 20000 | 20000 | ||
重量 | kg | 4 | 1.6 | 4.0 | 7.0 | 14.5 | 31 | 62 | 83.5 |
5 | 1.6 | 4.0 | 7.0 | 14.5 | 31 | 62 | 83.5 | ||
7 | 1.6 | 4.0 | 7.0 | 14.5 | 31 | 62 | 83.5 | ||
10 | 1.6 | 4.0 | 7.0 | 14.5 | 31 | 62 | 83.5 | ||
騒音値(4) | dB | 4 | ≤60 | ≤62 | ≤65 | ≤65 | ≤66 | ≤68 | ≤68 |
5 | ≤60 | ≤62 | ≤65 | ≤65 | ≤66 | ≤68 | ≤68 | ||
7 | ≤60 | ≤62 | ≤65 | ≤65 | ≤66 | ≤68 | ≤68 | ||
10 | ≤60 | ≤62 | ≤65 | ≤65 | ≤66 | ≤68 | ≤68 | ||
使用温度範囲 | °C | 4 | -10~+90 | -10~+90 | -10~+90 | -10~+90 | -10~+90 | -10~+90 | -10~+90 |
5 | -10~+90 | -10~+90 | -10~+90 | -10~+90 | -10~+90 | -10~+90 | -10~+90 | ||
7 | -10~+90 | -10~+90 | -10~+90 | -10~+90 | -10~+90 | -10~+90 | -10~+90 | ||
10 | -10~+90 | -10~+90 | -10~+90 | -10~+90 | -10~+90 | -10~+90 | -10~+90 | ||
防護等級 | 4 | IP64 | IP64 | IP64 | IP64 | IP64 | IP64 | IP64 | |
5 | IP64 | IP64 | IP64 | IP64 | IP64 | IP64 | IP64 | ||
7 | IP64 | IP64 | IP64 | IP64 | IP64 | IP64 | IP64 | ||
10 | IP64 | IP64 | IP64 | IP64 | IP64 | IP64 | IP64 | ||
潤滑油 | 4 | ISO VG220 | ISO VG220 | ISO VG220 | ISO VG220 | ISO VG220 | ISO VG220 | ISO VG220 | |
5 | ISO VG220 | ISO VG220 | ISO VG220 | ISO VG220 | ISO VG220 | ISO VG220 | ISO VG220 | ||
7 | ISO VG220 | ISO VG220 | ISO VG220 | ISO VG220 | ISO VG220 | ISO VG220 | ISO VG220 | ||
10 | ISO VG220 | ISO VG220 | ISO VG220 | ISO VG220 | ISO VG220 | ISO VG220 | ISO VG220 | ||
回転慣性 | kg‧cm2 | 4 | 0.32 | 0.65 | 4.40 | 9.10 | 30.45 | - | - |
5 | 0.31 | 0.63 | 4.33 | 8.90 | 28.85 | 52.92 | 108.05 | ||
7 | 0.29 | 0.62 | 4.25 | 8.52 | 28.15 | 40.06 | 100.20 | ||
10 | 0.28 | 0.60 | 4.23 | 8.45 | 27.77 | 39.52 | 97.80 |
注(2) 動作回数は製品寿命内で1000回までとなります。
注(3) 100rpmで出力軸中心に作用します。
注(4) 騒音値は5比/入力回転数3000rpm/距離1m/無負荷運転時の値です。
•DG655およびDG785には、減速比が4のものはありません。
•表内にない減速比が必要な場合は、弊社にお問い合わせください。
•連続運転で使用する場合は、弊社にお問い合わせください。
DG技術的な案内 (2段) 比率 16~100
仕様 | 減速比 | DG164 | DG290 | DG310 | DG440 | DG500 | DG655 | DG785 | |
---|---|---|---|---|---|---|---|---|---|
最大加速トルク (1) T2B | Nm | 16 | 58 | 145 | 360 | 760 | 1650 | 3600 | 6100 |
20 | 58 | 145 | 360 | 760 | 1650 | 3600 | 6100 | ||
21 | 42 | 102 | 310 | 610 | 1400 | 3450 | 5050 | ||
25 | 58 | 145 | 360 | 760 | 1650 | 3600 | 6100 | ||
28 | 58 | 145 | 360 | 760 | 1650 | 3600 | 6100 | ||
31 | 42 | 115 | 300 | 630 | 1600 | 3600 | 6000 | ||
35 | 58 | 145 | 360 | 760 | 1650 | 3600 | 6100 | ||
40 | 58 | 145 | 360 | 760 | 1650 | 3600 | 6100 | ||
50 | 58 | 145 | 360 | 760 | 1650 | 3600 | 6100 | ||
61 | 46 | 115 | 285 | 560 | 1400 | 2850 | 4820 | ||
70 | 55 | 130 | 335 | 700 | 1500 | 3350 | 5050 | ||
91 | 33 | 85 | 255 | 510 | 1310 | 2800 | 4810 | ||
100 | 36 | 100 | 260 | 550 | 1410 | 2800 | 4810 | ||
緊急停止トルク(2) T2Not | Nm | 16 | 115 | 310 | 700 | 1260 | 3250 | 8500 | 14500 |
20 | 115 | 310 | 700 | 1260 | 3250 | 8500 | 14500 | ||
21 | 105 | 260 | 610 | 1050 | 2800 | 8300 | 12100 | ||
25 | 115 | 310 | 700 | 1260 | 3250 | 8500 | 14500 | ||
28 | 115 | 310 | 700 | 1260 | 3250 | 8500 | 14500 | ||
31 | 105 | 260 | 610 | 1100 | 2800 | 8500 | 14000 | ||
35 | 115 | 310 | 700 | 1260 | 3250 | 8500 | 14500 | ||
40 | 115 | 310 | 700 | 1260 | 3250 | 8500 | 14500 | ||
50 | 115 | 310 | 700 | 1260 | 3250 | 8500 | 14500 | ||
61 | 105 | 240 | 570 | 930 | 2700 | 7300 | 10500 | ||
70 | 105 | 270 | 625 | 1100 | 2750 | 8300 | 13650 | ||
91 | 100 | 220 | 490 | 850 | 2200 | 5000 | 10500 | ||
100 | 100 | 220 | 500 | 900 | 2300 | 5000 | 10500 | ||
定格出力トルク T2N | Nm | 16 | 40 | 92 | 215 | 410 | 1080 | 2450 | 3800 |
20 | 40 | 92 | 215 | 410 | 1080 | 2450 | 3800 | ||
21 | 30 | 82 | 175 | 360 | 860 | 2150 | 3300 | ||
25 | 40 | 92 | 215 | 410 | 1080 | 2450 | 3800 | ||
28 | 40 | 92 | 215 | 410 | 1080 | 2450 | 3800 | ||
31 | 30 | 72 | 180 | 370 | 1250 | 2250 | 3720 | ||
35 | 40 | 92 | 215 | 410 | 1080 | 2450 | 3800 | ||
40 | 40 | 92 | 215 | 410 | 1080 | 2450 | 3800 | ||
50 | 40 | 92 | 215 | 410 | 1080 | 2450 | 3800 | ||
61 | 32 | 72 | 175 | 370 | 1120 | 1620 | 2910 | ||
70 | 28 | 88 | 180 | 405 | 900 | 1830 | 2820 | ||
91 | 16 | 40 | 110 | 230 | 710 | 1600 | 2910 | ||
100 | 18 | 60 | 125 | 265 | 800 | 1600 | 2910 | ||
定格入力回転数 n1N | rpm | 16 | 4000 | 3500 | 2800 | 3000 | 2500 | 2000 | 1500 |
20 | 4000 | 3500 | 2800 | 3000 | 2500 | 2000 | 1500 | ||
21 | 4000 | 3500 | 2800 | 3000 | 2500 | 2000 | 1500 | ||
25 | 4000 | 3500 | 2800 | 3000 | 2500 | 2000 | 1500 | ||
28 | 4000 | 3500 | 2800 | 3000 | 2500 | 2000 | 1500 | ||
31 | 4000 | 3500 | 2800 | 3000 | 2500 | 2000 | 1500 | ||
35 | 4000 | 3500 | 2800 | 3000 | 2500 | 2000 | 1500 | ||
40 | 4000 | 3500 | 2800 | 3000 | 2500 | 2000 | 1500 | ||
50 | 5000 | 4000 | 3000 | 3200 | 3000 | 2400 | 2000 | ||
61 | 5000 | 4000 | 3000 | 3200 | 3000 | 2400 | 2000 | ||
70 | 5500 | 4500 | 3500 | 3800 | 3300 | 2500 | 2200 | ||
91 | 5500 | 4500 | 3500 | 3800 | 3300 | 2500 | 2200 | ||
100 | 5500 | 4500 | 3500 | 3800 | 3300 | 2500 | 2200 | ||
最大入力回転数 n1Max | rpm | 16 | 6000 | 6000 | 5000 | 5000 | 4000 | 3500 | 3500 |
20 | 6000 | 6000 | 5000 | 5000 | 4000 | 3500 | 3500 | ||
21 | 6000 | 6000 | 5000 | 5000 | 4000 | 3500 | 3500 | ||
25 | 6000 | 6000 | 5000 | 5000 | 4000 | 3500 | 3500 | ||
28 | 6000 | 6000 | 5000 | 5000 | 4000 | 3500 | 3500 | ||
31 | 6000 | 6000 | 5000 | 5000 | 4000 | 3500 | 3500 | ||
35 | 6000 | 6000 | 5000 | 5000 | 4000 | 3500 | 3500 | ||
40 | 6000 | 6000 | 5000 | 5000 | 4000 | 3500 | 3500 | ||
50 | 6000 | 6000 | 5000 | 5000 | 3000 | 3500 | 3500 | ||
61 | 6000 | 6000 | 5000 | 5000 | 4000 | 3500 | 3500 | ||
70 | 6000 | 6000 | 5000 | 5000 | 4000 | 3500 | 3500 | ||
91 | 6000 | 6000 | 5000 | 5000 | 4000 | 3500 | 3500 | ||
100 | 6000 | 6000 | 5000 | 5000 | 4000 | 3500 | 3500 | ||
軸方向負荷力(3) Famax | N | 16 | 1650 | 2200 | 4200 | 6150 | 10000 | 33000 | 50000 |
20 | 1650 | 2200 | 4200 | 6150 | 10000 | 33000 | 50000 | ||
21 | 1650 | 2200 | 4200 | 6150 | 10000 | 33000 | 50000 | ||
25 | 1650 | 2200 | 4200 | 6150 | 10000 | 33000 | 50000 | ||
28 | 1650 | 2200 | 4200 | 6150 | 10000 | 33000 | 50000 | ||
31 | 1650 | 2200 | 4200 | 6150 | 10000 | 33000 | 50000 | ||
35 | 1650 | 2200 | 4200 | 6150 | 10000 | 33000 | 50000 | ||
40 | 1650 | 2200 | 4200 | 6150 | 10000 | 33000 | 50000 | ||
50 | 1650 | 2200 | 4200 | 6150 | 10000 | 33000 | 50000 | ||
61 | 1650 | 2200 | 4200 | 6150 | 10000 | 33000 | 50000 | ||
70 | 1650 | 2200 | 4200 | 6150 | 10000 | 33000 | 50000 | ||
91 | 1650 | 2200 | 4200 | 6150 | 10000 | 33000 | 50000 | ||
100 | 1650 | 2200 | 4200 | 6150 | 10000 | 33000 | 50000 | ||
精密なバックラッシュ | arcmin | 16 | ≤2 | ≤1 | ≤1 | ≤1 | ≤1 | ≤2 | ≤2 |
20 | ≤2 | ≤1 | ≤1 | ≤1 | ≤1 | ≤2 | ≤2 | ||
21 | ≤2 | ≤1 | ≤1 | ≤1 | ≤1 | ≤2 | ≤2 | ||
25 | ≤2 | ≤1 | ≤1 | ≤1 | ≤1 | ≤2 | ≤2 | ||
28 | ≤2 | ≤1 | ≤1 | ≤1 | ≤1 | ≤2 | ≤2 | ||
31 | ≤2 | ≤1 | ≤1 | ≤1 | ≤1 | ≤2 | ≤2 | ||
35 | ≤2 | ≤1 | ≤1 | ≤1 | ≤1 | ≤2 | ≤2 | ||
40 | ≤2 | ≤1 | ≤1 | ≤1 | ≤1 | ≤2 | ≤2 | ||
50 | ≤2 | ≤1 | ≤1 | ≤1 | ≤1 | ≤2 | ≤2 | ||
61 | ≤2 | ≤1 | ≤1 | ≤1 | ≤1 | ≤2 | ≤2 | ||
70 | ≤2 | ≤1 | ≤1 | ≤1 | ≤1 | ≤2 | ≤2 | ||
91 | ≤2 | ≤1 | ≤1 | ≤1 | ≤1 | ≤2 | ≤2 | ||
100 | ≤2 | ≤1 | ≤1 | ≤1 | ≤1 | ≤2 | ≤2 | ||
標準バックラッシュ | arcmin | 16 | ≤4 | ≤3 | ≤3 | ≤3 | ≤3 | ≤3 | ≤3 |
20 | ≤4 | ≤3 | ≤3 | ≤3 | ≤3 | ≤3 | ≤3 | ||
21 | ≤4 | ≤3 | ≤3 | ≤3 | ≤3 | ≤3 | ≤3 | ||
25 | ≤4 | ≤3 | ≤3 | ≤3 | ≤3 | ≤3 | ≤3 | ||
28 | ≤4 | ≤3 | ≤3 | ≤3 | ≤3 | ≤3 | ≤3 | ||
31 | ≤4 | ≤3 | ≤3 | ≤3 | ≤3 | ≤3 | ≤3 | ||
35 | ≤4 | ≤3 | ≤3 | ≤3 | ≤3 | ≤3 | ≤3 | ||
40 | ≤4 | ≤3 | ≤3 | ≤3 | ≤3 | ≤3 | ≤3 | ||
50 | ≤4 | ≤3 | ≤3 | ≤3 | ≤3 | ≤3 | ≤3 | ||
61 | ≤4 | ≤3 | ≤3 | ≤3 | ≤3 | ≤3 | ≤3 | ||
70 | ≤4 | ≤3 | ≤3 | ≤3 | ≤3 | ≤3 | ≤3 | ||
91 | ≤4 | ≤3 | ≤3 | ≤3 | ≤3 | ≤3 | ≤3 | ||
100 | ≤4 | ≤3 | ≤3 | ≤3 | ≤3 | ≤3 | ≤3 | ||
ねじれ剛性 | Nm/arcmin | 16 | 12 | 32 | 83 | 155 | 565 | 900 | 1380 |
20 | 12 | 32 | 83 | 155 | 565 | 900 | 1380 | ||
21 | 12 | 32 | 83 | 155 | 565 | 900 | 1380 | ||
25 | 12 | 32 | 83 | 155 | 565 | 900 | 1380 | ||
28 | 12 | 32 | 83 | 155 | 565 | 900 | 1380 | ||
31 | 12 | 32 | 83 | 155 | 565 | 900 | 1380 | ||
35 | 12 | 32 | 83 | 155 | 565 | 900 | 1380 | ||
40 | 12 | 32 | 83 | 155 | 565 | 900 | 1380 | ||
50 | 12 | 32 | 83 | 155 | 565 | 900 | 1380 | ||
61 | 12 | 32 | 83 | 155 | 565 | 900 | 1380 | ||
70 | 12 | 32 | 83 | 155 | 565 | 900 | 1380 | ||
91 | 12 | 32 | 83 | 155 | 565 | 900 | 1380 | ||
100 | 12 | 32 | 83 | 155 | 565 | 900 | 1380 | ||
使用寿命 LH2 | h | 16 | 20000 | 20000 | 20000 | 20000 | 20000 | 20000 | 20000 |
20 | 20000 | 20000 | 20000 | 20000 | 20000 | 20000 | 20000 | ||
21 | 20000 | 20000 | 20000 | 20000 | 20000 | 20000 | 20000 | ||
25 | 20000 | 20000 | 20000 | 20000 | 20000 | 20000 | 20000 | ||
28 | 20000 | 20000 | 20000 | 20000 | 20000 | 20000 | 20000 | ||
31 | 20000 | 20000 | 20000 | 20000 | 20000 | 20000 | 20000 | ||
35 | 20000 | 20000 | 20000 | 20000 | 20000 | 20000 | 20000 | ||
40 | 20000 | 20000 | 20000 | 20000 | 20000 | 20000 | 20000 | ||
50 | 20000 | 20000 | 20000 | 20000 | 20000 | 20000 | 20000 | ||
61 | 20000 | 20000 | 20000 | 20000 | 20000 | 20000 | 20000 | ||
70 | 20000 | 20000 | 20000 | 20000 | 20000 | 20000 | 20000 | ||
91 | 20000 | 20000 | 20000 | 20000 | 20000 | 20000 | 20000 | ||
100 | 20000 | 20000 | 20000 | 20000 | 20000 | 20000 | 20000 | ||
満載時の使用効率 | % | 16 | ≥94 | ≥94 | ≥94 | ≥94 | ≥94 | ≥94 | ≥94 |
20 | ≥94 | ≥94 | ≥94 | ≥94 | ≥94 | ≥94 | ≥94 | ||
21 | ≥94 | ≥94 | ≥94 | ≥94 | ≥94 | ≥94 | ≥94 | ||
25 | ≥94 | ≥94 | ≥94 | ≥94 | ≥94 | ≥94 | ≥94 | ||
28 | ≥94 | ≥94 | ≥94 | ≥94 | ≥94 | ≥94 | ≥94 | ||
31 | ≥94 | ≥94 | ≥94 | ≥94 | ≥94 | ≥94 | ≥94 | ||
35 | ≥94 | ≥94 | ≥94 | ≥94 | ≥94 | ≥94 | ≥94 | ||
40 | ≥94 | ≥94 | ≥94 | ≥94 | ≥94 | ≥94 | ≥94 | ||
50 | ≥94 | ≥94 | ≥94 | ≥94 | ≥94 | ≥94 | ≥94 | ||
61 | ≥94 | ≥94 | ≥94 | ≥94 | ≥94 | ≥94 | ≥94 | ||
70 | ≥94 | ≥94 | ≥94 | ≥94 | ≥94 | ≥94 | ≥94 | ||
91 | ≥94 | ≥94 | ≥94 | ≥94 | ≥94 | ≥94 | ≥94 | ||
100 | ≥94 | ≥94 | ≥94 | ≥94 | ≥94 | ≥94 | ≥94 | ||
重量 | kg | 16 | 1.7 | 4.2 | 7.2 | 15 | 35 | 60 | 80 |
20 | 1.7 | 4.2 | 7.2 | 15 | 35 | 60 | 80 | ||
21 | 1.7 | 4.2 | 7.2 | 15 | 35 | 60 | 80 | ||
25 | 1.7 | 4.2 | 7.2 | 15 | 35 | 60 | 80 | ||
28 | 1.7 | 4.2 | 7.2 | 15 | 35 | 60 | 80 | ||
31 | 1.7 | 4.2 | 7.2 | 15 | 35 | 60 | 80 | ||
35 | 1.7 | 4.2 | 7.2 | 15 | 35 | 60 | 80 | ||
40 | 1.7 | 4.2 | 7.2 | 15 | 35 | 60 | 80 | ||
50 | 1.7 | 4.2 | 7.2 | 15 | 35 | 60 | 80 | ||
61 | 1.7 | 4.2 | 7.2 | 15 | 35 | 60 | 80 | ||
70 | 1.7 | 4.2 | 7.2 | 15 | 35 | 60 | 80 | ||
91 | 1.7 | 4.2 | 7.2 | 15 | 35 | 60 | 80 | ||
100 | 1.7 | 4.2 | 7.2 | 15 | 35 | 60 | 80 | ||
騒音値(4) | dB | 16 | ≤60 | ≤62 | ≤65 | ≤65 | ≤66 | ≤68 | ≤68 |
20 | ≤60 | ≤62 | ≤65 | ≤65 | ≤66 | ≤68 | ≤68 | ||
21 | ≤60 | ≤62 | ≤65 | ≤65 | ≤66 | ≤68 | ≤68 | ||
25 | ≤60 | ≤62 | ≤65 | ≤65 | ≤66 | ≤68 | ≤68 | ||
28 | ≤60 | ≤62 | ≤65 | ≤65 | ≤66 | ≤68 | ≤68 | ||
31 | ≤60 | ≤62 | ≤65 | ≤65 | ≤66 | ≤68 | ≤68 | ||
35 | ≤60 | ≤62 | ≤65 | ≤65 | ≤66 | ≤68 | ≤68 | ||
40 | ≤60 | ≤62 | ≤65 | ≤65 | ≤66 | ≤68 | ≤68 | ||
50 | ≤60 | ≤62 | ≤65 | ≤65 | ≤66 | ≤68 | ≤68 | ||
61 | ≤60 | ≤62 | ≤65 | ≤65 | ≤66 | ≤68 | ≤68 | ||
70 | ≤60 | ≤62 | ≤65 | ≤65 | ≤66 | ≤68 | ≤68 | ||
91 | ≤60 | ≤62 | ≤65 | ≤65 | ≤66 | ≤68 | ≤68 | ||
100 | ≤60 | ≤62 | ≤65 | ≤65 | ≤66 | ≤68 | ≤68 | ||
使用温度範囲 | °C | 16 | -10~+90 | -10~+90 | -10~+90 | -10~+90 | -10~+90 | -10~+90 | -10~+90 |
20 | -10~+90 | -10~+90 | -10~+90 | -10~+90 | -10~+90 | -10~+90 | -10~+90 | ||
21 | -10~+90 | -10~+90 | -10~+90 | -10~+90 | -10~+90 | -10~+90 | -10~+90 | ||
25 | -10~+90 | -10~+90 | -10~+90 | -10~+90 | -10~+90 | -10~+90 | -10~+90 | ||
28 | -10~+90 | -10~+90 | -10~+90 | -10~+90 | -10~+90 | -10~+90 | -10~+90 | ||
31 | -10~+90 | -10~+90 | -10~+90 | -10~+90 | -10~+90 | -10~+90 | -10~+90 | ||
35 | -10~+90 | -10~+90 | -10~+90 | -10~+90 | -10~+90 | -10~+90 | -10~+90 | ||
40 | -10~+90 | -10~+90 | -10~+90 | -10~+90 | -10~+90 | -10~+90 | -10~+90 | ||
50 | -10~+90 | -10~+90 | -10~+90 | -10~+90 | -10~+90 | -10~+90 | -10~+90 | ||
61 | -10~+90 | -10~+90 | -10~+90 | -10~+90 | -10~+90 | -10~+90 | -10~+90 | ||
70 | -10~+90 | -10~+90 | -10~+90 | -10~+90 | -10~+90 | -10~+90 | -10~+90 | ||
91 | -10~+90 | -10~+90 | -10~+90 | -10~+90 | -10~+90 | -10~+90 | -10~+90 | ||
100 | -10~+90 | -10~+90 | -10~+90 | -10~+90 | -10~+90 | -10~+90 | -10~+90 | ||
防護等級 | 16 | IP64 | IP64 | IP64 | IP64 | IP64 | IP64 | IP64 | |
20 | IP64 | IP64 | IP64 | IP64 | IP64 | IP64 | IP64 | ||
21 | IP64 | IP64 | IP64 | IP64 | IP64 | IP64 | IP64 | ||
25 | IP64 | IP64 | IP64 | IP64 | IP64 | IP64 | IP64 | ||
28 | IP64 | IP64 | IP64 | IP64 | IP64 | IP64 | IP64 | ||
31 | IP64 | IP64 | IP64 | IP64 | IP64 | IP64 | IP64 | ||
35 | IP64 | IP64 | IP64 | IP64 | IP64 | IP64 | IP64 | ||
40 | IP64 | IP64 | IP64 | IP64 | IP64 | IP64 | IP64 | ||
50 | IP64 | IP64 | IP64 | IP64 | IP64 | IP64 | IP64 | ||
61 | IP64 | IP64 | IP64 | IP64 | IP64 | IP64 | IP64 | ||
70 | IP64 | IP64 | IP64 | IP64 | IP64 | IP64 | IP64 | ||
91 | IP64 | IP64 | IP64 | IP64 | IP64 | IP64 | IP64 | ||
100 | IP64 | IP64 | IP64 | IP64 | IP64 | IP64 | IP64 | ||
潤滑油 | 16 | ISO VG220 | ISO VG220 | ISO VG220 | ISO VG220 | ISO VG220 | ISO VG220 | ISO VG220 | |
20 | ISO VG220 | ISO VG220 | ISO VG220 | ISO VG220 | ISO VG220 | ISO VG220 | ISO VG220 | ||
21 | ISO VG220 | ISO VG220 | ISO VG220 | ISO VG220 | ISO VG220 | ISO VG220 | ISO VG220 | ||
25 | ISO VG220 | ISO VG220 | ISO VG220 | ISO VG220 | ISO VG220 | ISO VG220 | ISO VG220 | ||
28 | ISO VG220 | ISO VG220 | ISO VG220 | ISO VG220 | ISO VG220 | ISO VG220 | ISO VG220 | ||
31 | ISO VG220 | ISO VG220 | ISO VG220 | ISO VG220 | ISO VG220 | ISO VG220 | ISO VG220 | ||
35 | ISO VG220 | ISO VG220 | ISO VG220 | ISO VG220 | ISO VG220 | ISO VG220 | ISO VG220 | ||
40 | ISO VG220 | ISO VG220 | ISO VG220 | ISO VG220 | ISO VG220 | ISO VG220 | ISO VG220 | ||
50 | ISO VG220 | ISO VG220 | ISO VG220 | ISO VG220 | ISO VG220 | ISO VG220 | ISO VG220 | ||
61 | ISO VG220 | ISO VG220 | ISO VG220 | ISO VG220 | ISO VG220 | ISO VG220 | ISO VG220 | ||
70 | ISO VG220 | ISO VG220 | ISO VG220 | ISO VG220 | ISO VG220 | ISO VG220 | ISO VG220 | ||
91 | ISO VG220 | ISO VG220 | ISO VG220 | ISO VG220 | ISO VG220 | ISO VG220 | ISO VG220 | ||
100 | ISO VG220 | ISO VG220 | ISO VG220 | ISO VG220 | ISO VG220 | ISO VG220 | ISO VG220 | ||
回転慣性 | kg‧cm2 | 16 | 0.19 | 0.31 | 0.63 | 4.35 | 9.30 | - | - |
20 | 0.16 | 0.30 | 0.61 | 4.28 | 9.10 | 29.00 | 30.05 | ||
21 | 0.17 | 0.31 | 0.62 | 4.30 | 9.05 | 29.10 | 30.08 | ||
25 | 0.16 | 0.30 | 0.61 | 4.28 | 9.10 | 29.00 | 30.10 | ||
28 | 0.20 | 0.28 | 0.60 | 4.10 | 8.75 | - | - | ||
31 | 0.18 | 0.32 | 0.63 | 4.30 | 9.12 | 29.05 | 29.00 | ||
35 | 0.15 | 0.28 | 0.60 | 4.10 | 8.75 | 28.30 | 28.48 | ||
40 | 0.12 | 0.27 | 0.58 | 4.05 | 8.60 | - | - | ||
50 | 0.12 | 0.27 | 0.58 | 4.05 | 8.60 | 27.95 | 28.07 | ||
61 | 0.13 | 0.28 | 0.59 | 4.10 | 8.70 | 28.05 | 28.07 | ||
70 | 0.12 | 0.26 | 0.57 | 4.05 | 8.60 | 27.95 | 28.07 | ||
91 | 0.11 | 0.27 | 0.58 | 4.08 | 8.65 | 27.90 | 28.05 | ||
100 | 0.10 | 0.25 | 0.57 | 4.05 | 8.55 | 27.85 | 28.05 |
注(2) 動作回数は製品寿命内で1000回までとなります。
注(3) 100rpmで出力軸中心に作用します。
注(4) 騒音値は5比/入力回転数3000rpm/距離1m/無負荷運転時の値です。
•DG655およびDG785には、減速比が4のものはありません。
•表内にない減速比が必要な場合は、弊社にお問い合わせください。
•連続運転で使用する場合は、弊社にお問い合わせください。
工作機械業
- CNC CNC門型フライス盤/CNC門形研磨盤
- CNC CNC総合加工機/CNC穴あけ機械
- CNC CNCフロア型横中ぐり盤/CNCボール盤
- CNC CNC門形ボ-リング盤/CNCプレス機
- CNC CNC大型横型旋盤、縦型旋盤
產業機械
- 包装機械/印刷機/ねじ立て盤
- 紡織機械/管曲げ機/板曲げ機
- 木工機/ブロー成形機/彫刻機
- 充填機/射出成形機/CNCばね巻機
- レーザー裁断機/レーザー溶接機
工場自動化工業
- 半導体機械設備/太陽電池パネル
- サーボモータ搭載の自動化機械装置
- 医療産業/金属表面処理設備
高トルク位置決めシステムの応用
サーボモーターを搭載した自動機械装置
サーボモーターを搭載した自動機械装置

インストールの方向


ラックドライブ
